Ruột khóa 1 đầu Hafele 916.00.603, 45.5mm Đồng thau thuộc dòng ruột khóa có thiết kế 1 đầu có chiều dài 45.5 mm được làm bằng chất liệu đồng thau, bề mặt ruột khóa được phủ 1 lớp niken mờ bền màu với thời gian. Sản phẩm được nhập khẩu và phân phối tại Hệ Thống Hafele Việt Nam, bảo hành chính hãng, vận chuyển và lắp đặt toàn quốc.
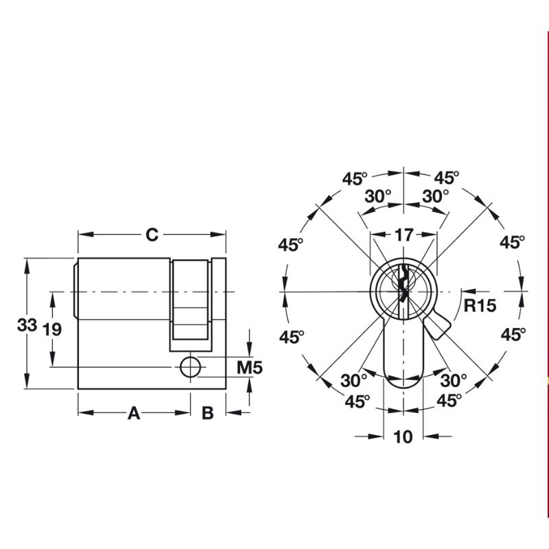
Thông số kỹ thuật
- Chiều cao ruột khóa: 33 mm
- Chiều dài ruột khóa bên trong: 10 mm
- Chất liệu vỏ ruột khóa: Đồng
- Màu/lớp hoàn thiện vỏ ruột khóa: lớp hoàn thiện bằng sa tanh, Mạ niken
- Tiêu chuẩn: Theo tiêu chuẩn EN 1303 với DIN 18252/09-1999
- Trọn bộ gồm:
- 1 ruột khoá 1 đầu chìa
- 3 chìa khoá
- 1 vít











Đánh giá
Chưa có đánh giá nào.